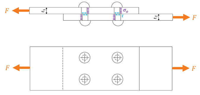
Nitové spoje
Podľa počtu rovín, v ktorých je driek nitu namáhaný šmykom, rozoznávame:
- jednostrižné,
- dvojstrižné,
- viacstrižné.

Pri jednostrižných nitoch sú nity okrem šmyku namáhané aj dvojicou síl M = F.(t1+t2), ktoré vyvodzujú tlaky na spodné plochy hláv nitov a deformujú spojené časti tak, aby lúče síl splynuli. Preto vo výpočtoch momentový účinok zanedbávame.


- Šmyková sila pripadajúca na prierezovú plochu jedného nitu je

kde n je počet šmykových rovín jedného nitu, k je počet nitov.
- Tangenciálne napätie v drieku nitu s priemerom D je

- Napätie na otlačenie pre jednostrižný spoj


- Napätie na otlačenie pre dvojstrižný spoj


- Napätie v oslabenom priereze v reze vedenom cez nity

kde m je počet nitových otvorov v rade

Porucha spôsobená šmykom

Spoje drevených konštrukcií
- Tak ako pri niektorých konštrukčných detailoch a spojoch aj pri drevených spojoch môžeme zjednodušene uvažovať s plochami namáhanými jednoduchým šmykom. Návrh rozmerov šmykovej plochy vyplýva z podmienky neprekročenia šmykového napätia určeného normou. Napr. pri čapovom spoji krokvy a trámu strešnej konštrukcie pri posúdení rozmerov l1 a h1 musia byť splnené podmienky:


Zvarové spoje
- Kútové zvary
Výpočet vychádza z predpokladu, že napätie pôsobí v nebezpečnom priereze. Za plochu nebezpečného prierezu sa považuje plocha
.L. Pri výpočte šmykového napätia v kútovom zvare predpokladáme, že sila pripadajúca na zvar sa rozloží rovnomerne po dĺžke zvaru.


- Tupé zvary
Tupé zvary považujeme za súčasť prierezu a preto napätie v takomto zvare sa nelíši od výpočtu napätí v spojovaných materiáloch


