accessibility-settingsarrowcalendarcheckchevron-roundedchevronclose-altcloseemailfile-pdffilefilter-listhomeinfolenslikelogo-bluelogo-cyanlogo-graylogo-greenlogo-orangelogo-redlogo-yellowmenuphonesharesocial-facebooksocial-fb-bluesocial-githubsocial-instagramsocial-linkedinsocial-rsssocial-tiktoksocial-twittersocial-youtubestudent-hatuserx
Prejsť na obsah

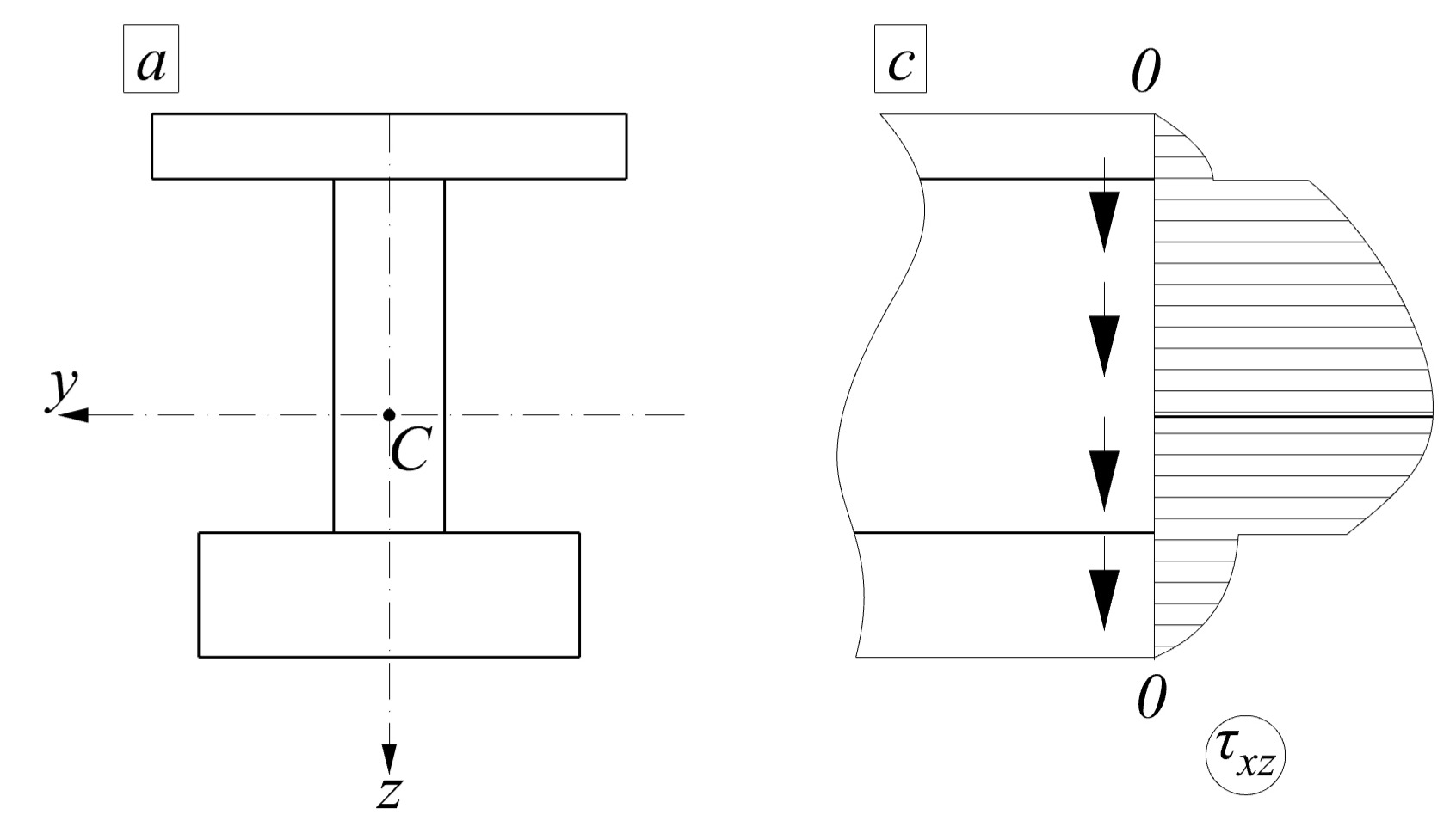
7.5. Šmykové napätie pre I a T prierez

Aktuality